Hledání je bez výsledku
- Akční ceny
-
-
-
- Lubrikanty
- Kabelové punčošky
- Kabelové punčošky s rychloupínáním
- Kabelové smyčky
- GF3 SLIM
- GF3 Pero ze skelného vlákna Ø 3mm
- RP5
- RP 1
- RT 2008
- GF4.5 Pero ze skelného vlákna Ø 4,5 mm
- GF6 Pero ze skelného vlákna Ø 6 mm
- GF7.5 Pero ze skelného vlákna Ø 7,5 mm
- GF9 Pero ze skelného vlákna Ø 9 mm
- GF11 Pero ze skelného vlákna Ø 11 mm
- GF15 Pero ze skelného vlákna Ø 15 mm
- Runposticks
- CW 800 E Vřetenový naviják
- RM35 Přístroje pro měření délky kabelů
- RC3 Inspekční kamera
- RC2 Inspekční kamera
- XB 300, XB 500 a XB 500 T
- CB 260 Kabelový box
- PRO 530/670 Odvíječka kabelových bubnů
- Runpofilter 4500
- Akční sety
-
- Výprodej
Můj košík
Váš košík je prázdný
- Domů
- Není skladem
- THEBEN 4930255 Žaluziový aktor JME 4 T KNX THEBEN 4930255 Žaluziový aktor JME 4 T KNX
SLEVA






Theben AG
THEBEN 4930255 Žaluziový aktor JME 4 T KNX
Kód produktu
4930255
EAN kód:
4003468490075
Dostupný:
Skladem u dodavatele – Expedice do 10 dní
Méně jak 5
ks skladem
Skladem
Není skladem
opět na skladě
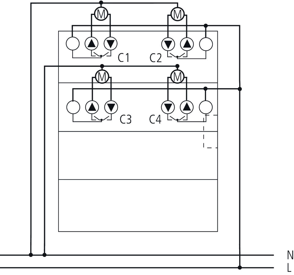
Žaluziový aktor JME 4 T KNX 4násobný, MIX2, rozšiřující přístroj.
2 274,05 Kč bez DPH
2 751,60 Kč s DPH
- Popis
- Parametry produktu
- Ke stažení
Pohon žaluzií KNX, ovládání 4násobného pohonu, rozšiřující zařízení, montáž na lištu DIN, šířka 4 TE (4 TE), lze rozšířit pomocí JME 4 T až na 12 kanálů nebo kombinovat s dalšími zařízeními řady MIX, reléové výstupy pro čtyři pohony, pohony: např. pro žaluzie, rolety, markýzy, ruční ovládání na zařízení, korekce skluzu, pohon volně parametrizovatelný, ruční přepínač UP/DOWN a LED diody.
Český katalog Theben KNX ke stažení zde.
Produktové soubory ke stažení.
Funkce spínání | ne |
Max. počet žaluziových výstupů | 4 |
neni-skladem | neni-skladem |
Obsluha přímo na místě/ruční obsluha | ano |
Odnímatelný modul sběrnice | ano |
Ohmický spínací proud | 6 A |
Radio frequent bidirectional | ne |
S LED displejem | ano |
Sběrnicový systém KNX-Funk | ne |
Sběrnicový systém KNX | ano |
Sběrnicový systém LON | ne |
Sběrnicový systém Powernet | ne |
Sběrnicový systém rádiové sběrnice | ne |
Včetně připojení sběrnice | ano |
Šířka v modulárních jednotkách | 4 |
Produkt byl úspěšně přidán do košíku