- Akční ceny
-
-
-
- Lubrikanty
- Kabelové punčošky
- Kabelové punčošky s rychloupínáním
- Kabelové smyčky
- GF3 SLIM
- GF3 Pero ze skelného vlákna Ø 3mm
- RP5
- RP 1
- RT 2008
- GF4.5 Pero ze skelného vlákna Ø 4,5 mm
- GF6 Pero ze skelného vlákna Ø 6 mm
- GF7.5 Pero ze skelného vlákna Ø 7,5 mm
- GF9 Pero ze skelného vlákna Ø 9 mm
- GF11 Pero ze skelného vlákna Ø 11 mm
- GF15 Pero ze skelného vlákna Ø 15 mm
- Runposticks
- CW 800 E Vřetenový naviják
- RM35 Přístroje pro měření délky kabelů
- RC3 Inspekční kamera
- RC2 Inspekční kamera
- XB 300, XB 500 a XB 500 T
- CB 260 Kabelový box
- PRO 530/670 Odvíječka kabelových bubnů
- Runpofilter 4500
- Akční sety
-
- Výprodej
- Domů
- Není skladem
- DOEPKE 09134919 Proudový chránič DFS4 040-4/0,03-A KV R DOEPKE 09134919 Proudový chránič DFS4 040-4/0,03-A KV R






DOEPKE 09134919 Proudový chránič DFS4 040-4/0,03-A KV R
- Popis
- Parametry produktu
- Ke stažení
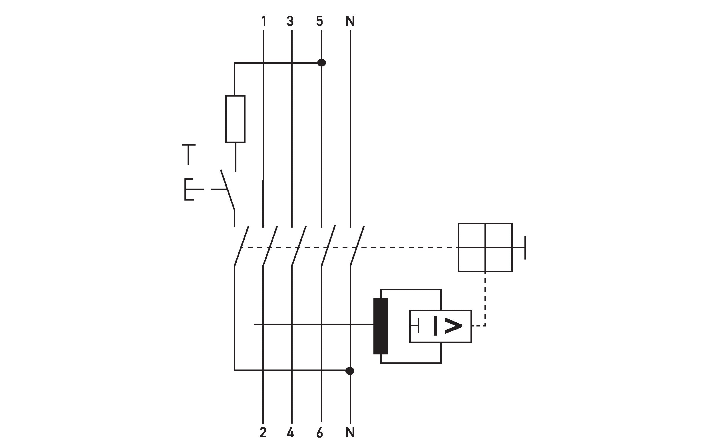
Proudové chrániče v provedení s krátkodobým zpožděním (KV - krátkodobé zpoždění) jsou podstatně méně citlivé na krátkodobé impulzní a rázové poruchové proudy. Zvyšují tak disponibilitu zařízení. Dodatečná ochrana (ochrana osob) zůstává zachována. Proudové chrániče s krátkodobým zpožděním lze tedy bez problémů použít místo standardních chráničů.
Proudový chránič je elektrický přístroj, který chrání proti zemním poruchovým proudům. Jeho úkolem je zabránit zásahu elektrickým proudem při porušení izolace nebo při náhodném přímém dotyku částí pod napětím. V případě poruchy elektrického obvodu pomáhá předejít vzniku požáru.
Proudové chrániče typu A jsou určeny pro obvody, kde se vyskytují jak střídavé reziduální proudy, tak i stejnosměrné reziduální proudy. Tyto chrániče jsou vhodné pro běžné moderní zásuvkové i světelné obvody a spotřebiče, které využívají technologii spínaných elektronických obvodu a generují rušení, tzn. pro elektrické obvody, ve kterých se vyskytují např. počítače, sušičky, pračky, myčky, fény, mikrovlnky, spotřební elektroniku, LED osvětlení atd.
Proudové chrániče s typovým označením DFS vyrábí německá firma Doepke, která své první proudové chrániče uvedla na trh již v roce 1957. Od tohoto data tyto přístroje chrání lidi i zvířata před nebezpečným dotykovým napětím. V průběhu let se firma Doepke stala renomovaným specialistou na proudové chrániče a specializovaná řešení v technologiích ochrany proti reziduálnímu proudu a to nejen v Evropě, ale napříč celou zeměkoulí! V produktové řadě Doepke najdete nejširší nabídku proudových chráničů na světě, v současnosti můžeme dodat přes 1600 typů od 16 do 250 A.
Dimenzované napětí | 400 kV |
Dimenzované provozní napětí Ui | 400 V |
Dimenzovaný proud | 40 A |
Dimenzovaný svodový proud | 30 A |
Kmitočet | 50 Hz |
Krytí (IP) | IP20 |
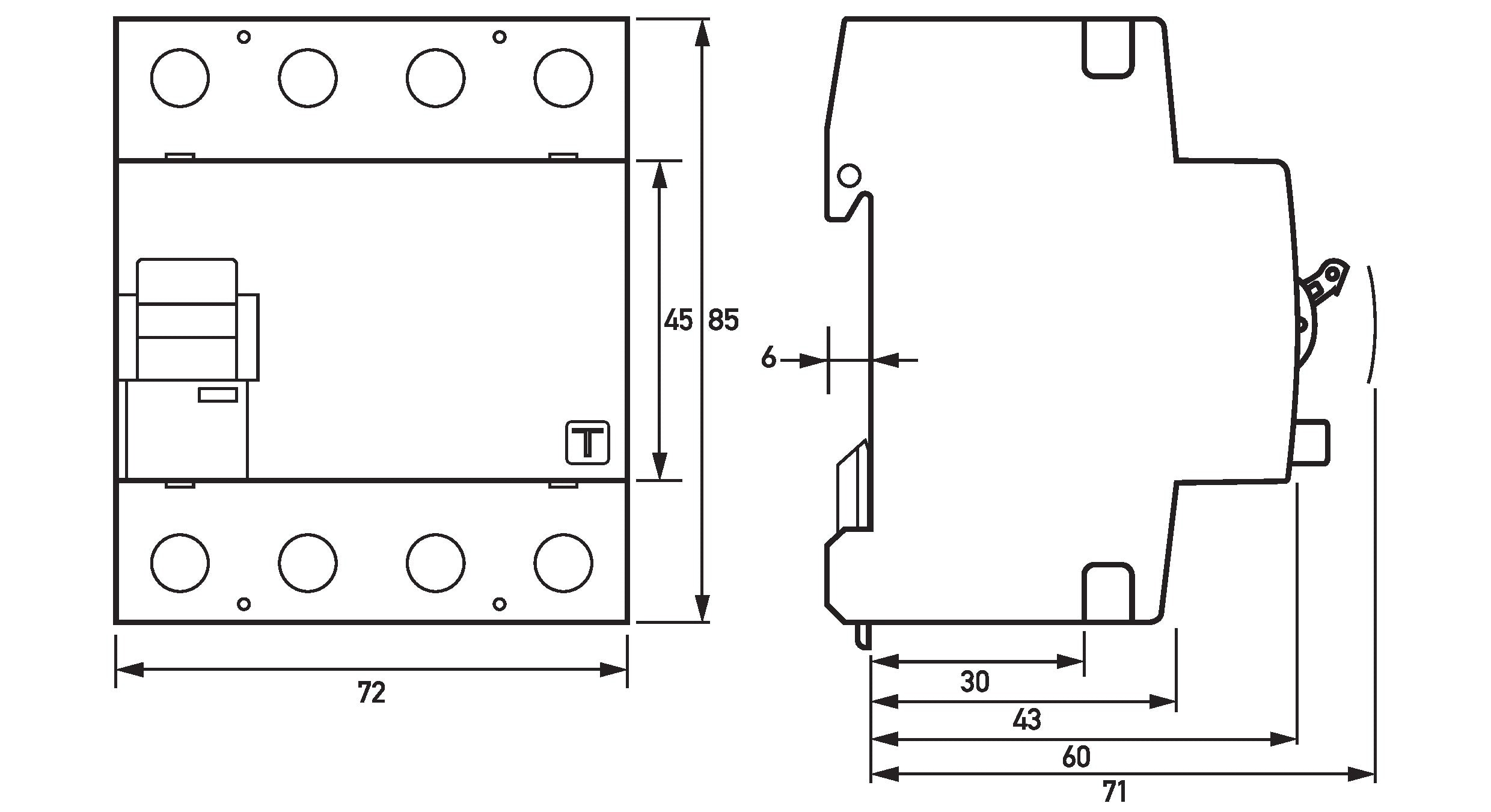
Montážní hloubka | 69 mm |
Možnost vybavení doplňkovými zařízeními | ano |
neni-skladem | neni-skladem |
Odolnost proti rázovému proudu | 3 kA |
Odolnost proti zkratu (Icw) | 10 kA |
Pozice nulového vodiče | vpravo |
Počet pólů | 4 |
Připojitelný průřez jednodrátového vodiče | 1-vodič: 1.5 mm² ... 50 mm²; 2-vodiče: 1.5 mm² ... 16 mm² |
Připojitelný průřez vícedrátového vodiče | 1-vodič: 1.5 mm² ... 50 mm²; 2-vodiče: 1.5 mm² ... 16 mm² |
S aretačním zařízením | ne |
Selektivní typ | ne |
Stupeň znečištění | 2 |
Teplota okolí během provozu | -25 °C |
Typ s krátkodobým zpožděním | ano |
Typ svodového proudu | A |
Způsob montáže | DIN lišta |
Šířka v modulárních jednotkách | 4 |