- Akční ceny
-
-
-
- Lubrikanty
- Kabelové punčošky
- Kabelové punčošky s rychloupínáním
- Kabelové smyčky
- GF3 SLIM
- GF3 Pero ze skelného vlákna Ø 3mm
- RP5
- RP 1
- RT 2008
- GF4.5 Pero ze skelného vlákna Ø 4,5 mm
- GF6 Pero ze skelného vlákna Ø 6 mm
- GF7.5 Pero ze skelného vlákna Ø 7,5 mm
- GF9 Pero ze skelného vlákna Ø 9 mm
- GF11 Pero ze skelného vlákna Ø 11 mm
- GF15 Pero ze skelného vlákna Ø 15 mm
- Runposticks
- CW 800 E Vřetenový naviják
- RM35 Přístroje pro měření délky kabelů
- RC3 Inspekční kamera
- RC2 Inspekční kamera
- XB 300, XB 500 a XB 500 T
- CB 260 Kabelový box
- PRO 530/670 Odvíječka kabelových bubnů
- Runpofilter 4500
- Akční sety
-
- Výprodej
- Domů
- Není skladem
- DOEPKE 09164911 Proudový chránič DFS4 100-4/0,03-A R DOEPKE 09164911 Proudový chránič DFS4 100-4/0,03-A R






DOEPKE 09164911 Proudový chránič DFS4 100-4/0,03-A R
- Popis
- Parametry produktu
- Ke stažení
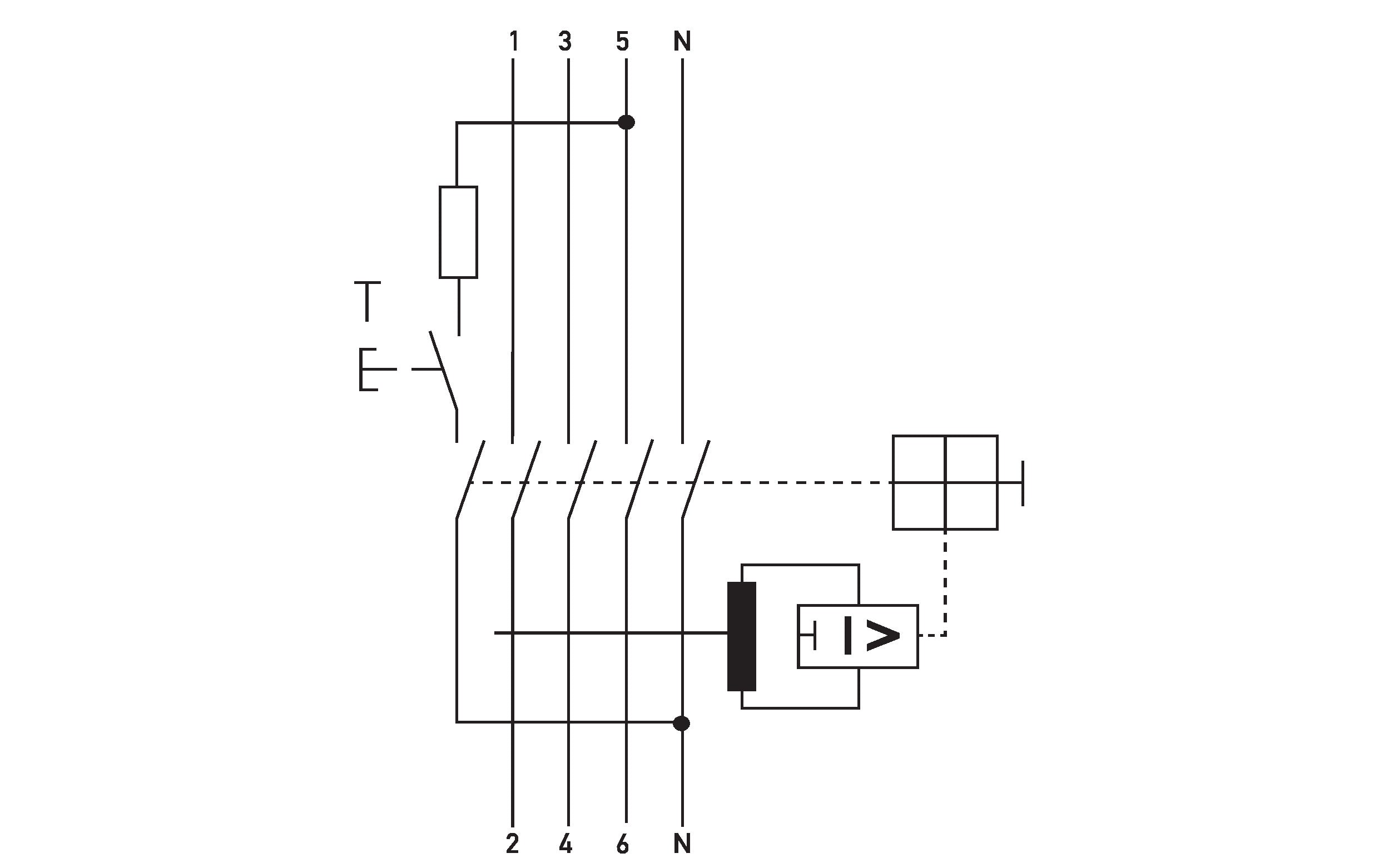
Proudový chránič je elektrický přístroj, který chrání proti zemním poruchovým proudům. Jeho úkolem je zabránit zásahu elektrickým proudem při porušení izolace nebo při náhodném přímém dotyku částí pod napětím. V případě poruchy elektrického obvodu pomáhá předejít vzniku požáru.
Proudové chrániče typu A jsou určeny pro obvody, kde se vyskytují jak střídavé reziduální proudy, tak i stejnosměrné reziduální proudy. Tyto chrániče jsou vhodné pro běžné moderní zásuvkové i světelné obvody a spotřebiče, které využívají technologii spínaných elektronických obvodu a generují rušení, tzn. pro elektrické obvody, ve kterých se vyskytují např. počítače, sušičky, pračky, myčky, fény, mikrovlnky, spotřební elektroniku, LED osvětlení atd.
Proudové chrániče s typovým označením DFS vyrábí německá firma Doepke, která své první proudové chrániče uvedla na trh již v roce 1957. Od tohoto data tyto přístroje chrání lidi i zvířata před nebezpečným dotykovým napětím. V průběhu let se firma Doepke stala renomovaným specialistou na proudové chrániče a specializovaná řešení v technologiích ochrany proti reziduálnímu proudu a to nejen v Evropě, ale napříč celou zeměkoulí! V produktové řadě Doepke najdete nejširší nabídku proudových chráničů na světě, v současnosti můžeme dodat přes 1600 typů od 16 do 250 A.
Dimenzované napětí | 400 kV |
Dimenzované provozní napětí Ui | 400 V |
Dimenzovaný proud | 100 A |
Dimenzovaný svodový proud | 30 A |
Kmitočet | 50 Hz |
Krytí (IP) | IP20 |
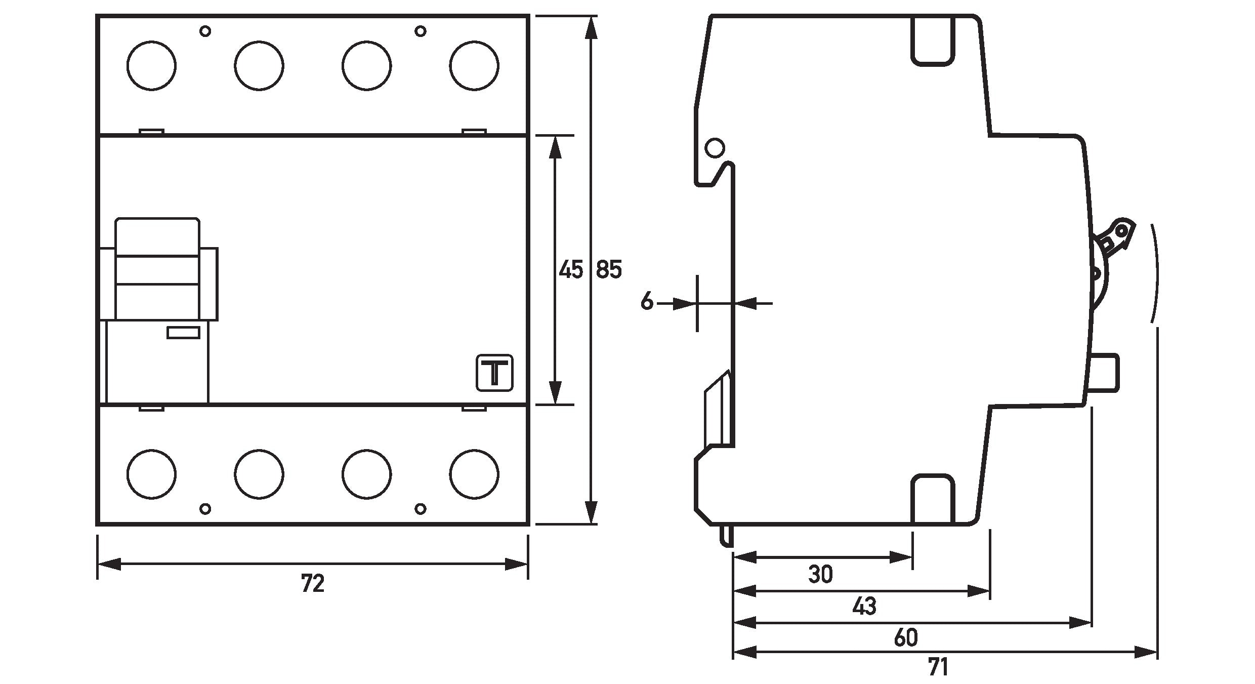
Montážní hloubka | 69 mm |
Možnost vybavení doplňkovými zařízeními | ano |
neni-skladem | neni-skladem |
Odolnost proti rázovému proudu | 0.25 kA |
Odolnost proti zkratu (Icw) | 10 kA |
Pozice nulového vodiče | vpravo |
Počet pólů | 4 |
Připojitelný průřez jednodrátového vodiče | 1-vodič: 1.5 mm² ... 50 mm²; 2-vodiče: 1.5 mm² ... 16 mm² |
Připojitelný průřez vícedrátového vodiče | 1-vodič: 1.5 mm² ... 50 mm²; 2-vodiče: 1.5 mm² ... 16 mm² |
S aretačním zařízením | ne |
Selektivní typ | ne |
Stupeň znečištění | 2 |
Teplota okolí během provozu | -25 °C |
Typ s krátkodobým zpožděním | ne |
Typ svodového proudu | A |
Způsob montáže | DIN lišta |
Šířka v modulárních jednotkách | 4 |