- Akční ceny
-
-
-
- Lubrikanty
- Kabelové punčošky
- Kabelové punčošky s rychloupínáním
- Kabelové smyčky
- GF3 SLIM
- GF3 Pero ze skelného vlákna Ø 3mm
- RP5
- RP 1
- RT 2008
- GF4.5 Pero ze skelného vlákna Ø 4,5 mm
- GF6 Pero ze skelného vlákna Ø 6 mm
- GF7.5 Pero ze skelného vlákna Ø 7,5 mm
- GF9 Pero ze skelného vlákna Ø 9 mm
- GF11 Pero ze skelného vlákna Ø 11 mm
- GF15 Pero ze skelného vlákna Ø 15 mm
- Runposticks
- CW 800 E Vřetenový naviják
- RM35 Přístroje pro měření délky kabelů
- RC3 Inspekční kamera
- RC2 Inspekční kamera
- XB 300, XB 500 a XB 500 T
- CB 260 Kabelový box
- PRO 530/670 Odvíječka kabelových bubnů
- Runpofilter 4500
- Akční sety
-
- Výprodej
- Domů
- Skladem
- DOEPKE 09146998 Proudový chránič DFS4 063-4/0,30-B SK DOEPKE 09146998 Proudový chránič DFS4 063-4/0,30-B SK






DOEPKE 09146998 Proudový chránič DFS4 063-4/0,30-B SK
- Popis
- Parametry produktu
- Ke stažení
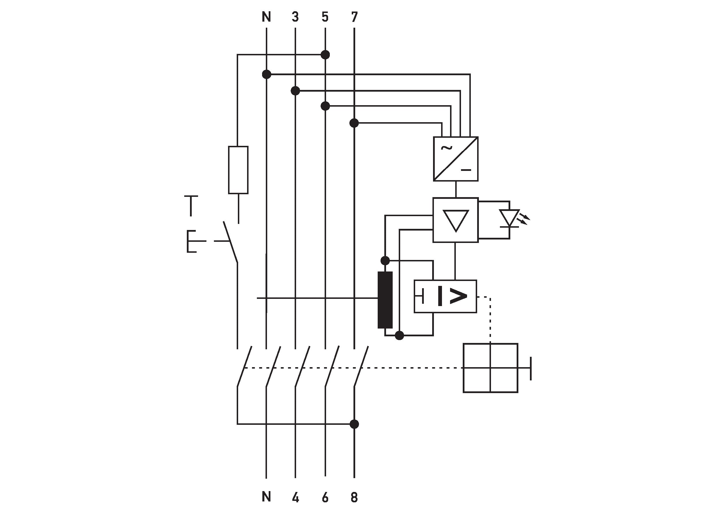
Proudový chránič je elektrický přístroj, který chrání proti zemním poruchovým proudům. Jeho úkolem je zabránit zásahu elektrickým proudem při porušení izolace nebo při náhodném přímém dotyku částí pod napětím. V případě poruchy elektrického obvodu pomáhá předejít vzniku požáru.
Proudové chrániče typu B SK se využívají všude tam, kde je požadována vysoká dostupnost systému a zároveň zde má požární bezpečnost druhořadý význam. Tento typ chrániče má redukovanou citlivost na reziduální proudy s vysokou frekvencí (např. taktovací frekvence frekvenčních měničů), čímž je ve značné míře zamezeno nežádoucímu vybavování chrániče kapacitními reziduálními proudy. Pokud je tedy u daného zařízení, u kterého by nemělo dojít k jeho výpadku, možné očekávat vznik provozních svodových proudů, je proudový chránič s vypínací charakteristikou SK perfektní volbou. Tyto chrániče disponují detekcí poruchového proudu do 150 kHz.
Proudové chrániče s touto charakteristikou tedy kombinují bezpečnost a hospodárnost, a to i při ochraně systémů, kde je nejvyšší prioritou bezporuchový provoz.
Využití:
Komerční a průmyslové instalace se systémy TN-S, TT a TN-C-S, v nichž se používají zařízení výkonové elektroniky bez galvanické izolace, jako jsou frekvenční měniče, spínané zdroje, vysokofrekvenční měniče, fotovoltaické systémy a systémy UPS s bez transformátorovými měniči.
O firmě Doepke:
Firma Doepke se stará již přes 60 let o nejvyšší bezpečnost při zacházení s elektřinou. Odborníci v oblasti ochrany před poruchovými proudy nabízejí rozsáhlý produktový program, v němž se pro každý požadavek najde vhodné řešení. Produkty firmy Doepke jsou nejvyšší kvality a spolehlivosti. Doepke s hlavním sídlem na severu Německa má více než 400 zaměstnanců na 5 pracovištích po celém světě.
Bezpečnost:
Prosíme, abyste respektovali, že elektrotechnické práce mohou provádět jen kvalifikovaní elektrikáři nebo osoby pod jejich vedením a dozorem. Respektujte také event. se odlišující normy a předpisy k elektrické instalaci v dané zemi a nechte si poradit místním kvalifikovaným elektrikářem. Dodržujte všechny aktuálně platné bezpečnostní pokyny a předpisy k výrobkům ze strany výrobce.
Produktové soubory ke stažení.
Dimenzované napětí | 400 kV |
Dimenzované provozní napětí Ui | 400 V |
Dimenzovaný proud | 63 A |
Dimenzovaný svodový proud | 300 A |
Kmitočet | 50 Hz |
Krytí (IP) | IP20 |
Montážní hloubka | 69 mm |
Možnost vybavení doplňkovými zařízeními | ano |
Odolnost proti rázovému proudu | 3 kA |
Odolnost proti zkratu (Icw) | 10 kA |
Počet pólů | 4 |
Připojitelný průřez jednodrátového vodiče | 1-vodič: 1.5 mm² ... 50 mm²; 2-vodiče: 1.5 mm² ... 16 mm² |
Připojitelný průřez vícedrátového vodiče | 1-vodič: 1.5 mm² ... 50 mm²; 2-vodiče: 1.5 mm² ... 16 mm² |
Reziduální proud | 0.3 A |
S aretačním zařízením | ne |
Selektivní typ | ne |
skladem | skladem |
Stupeň znečištění | 2 |
Teplota okolí během provozu | -25 °C |
Typ s krátkodobým zpožděním | ano |
Typ svodového proudu | B SK |
Způsob montáže | DIN lišta |
Šířka v modulárních jednotkách | 4 |