- Akční ceny
-
-
-
- Lubrikanty
- Kabelové punčošky
- Kabelové punčošky s rychloupínáním
- Kabelové smyčky
- GF3 SLIM
- GF3 Pero ze skelného vlákna Ø 3mm
- RP5
- RP 1
- RT 2008
- GF4.5 Pero ze skelného vlákna Ø 4,5 mm
- GF6 Pero ze skelného vlákna Ø 6 mm
- GF7.5 Pero ze skelného vlákna Ø 7,5 mm
- GF9 Pero ze skelného vlákna Ø 9 mm
- GF11 Pero ze skelného vlákna Ø 11 mm
- GF15 Pero ze skelného vlákna Ø 15 mm
- Runposticks
- CW 800 E Vřetenový naviják
- RM35 Přístroje pro měření délky kabelů
- RC3 Inspekční kamera
- RC2 Inspekční kamera
- XB 300, XB 500 a XB 500 T
- CB 260 Kabelový box
- PRO 530/670 Odvíječka kabelových bubnů
- Runpofilter 4500
- Akční sety
-
- Výprodej
- Domů
- Skladem
- DOEPKE 09914203 Jistič DLS 6h C16-1 6kA DOEPKE 09914203 Jistič DLS 6h C16-1 6kA






DOEPKE 09914203 Jistič DLS 6h C16-1 6kA
- Popis
- Parametry produktu
- Ke stažení
Úkolem jističů je automaticky vypínat proudové obvody a chránit tak kabely a připojená zařízení. Po vypnutí je lze opět ručně zapnout, aniž by bylo nutné vyměňovat například pojistkové vložky. Každý z našich jističů je vybaven mechanismem, který zajišťuje bezpečné vypnutí, i když je například ovládací páčka mechanicky zablokována.
Jmenovitá vypínací schopnost jističů DLS 6h se zkratovou odolností 6 kA je dimenzována pro koncové proudové okruhy se středním zkratovým výkonem, jako např. bytové a účelové budovy a rozváděče.
Přístroje DLS 6h a se dodávají s vypínacími charakteristikami B a C s různými prahovými úrovněmi vybavovacího proudu. Pro jištění zařízení lze jistič volbou charakteristiky v daných mezích přizpůsobit špičkovým provozním proudům. Externí vybavení jističe lze realizovat prostřednictvím přídavných přístrojů jako je proudová spoušť nebo podpěťová spoušť.
Jistič lze po vybavení znovu aktivovat ručním zapnutím.
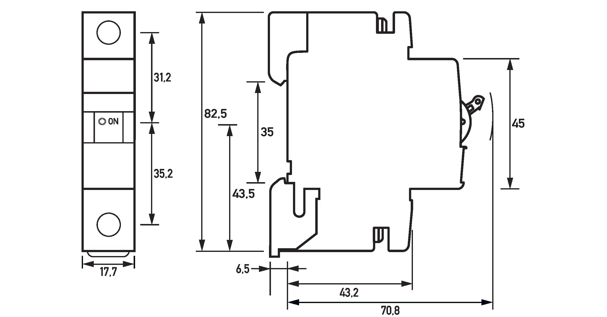
Díky své kompaktní konstrukci nabízejí jističe řady DLS 6h maximální úsporu místa pro pohodlné zapojení. Velká plocha svorek a možnost použití standardních elektroinstalačních lišt zajišťují jednoduchou instalaci.
Vlastnosti: jmenovitá vypínací schopnost 6 kA, oboustranně umístěné třmenové svorky s velkým rozsahem upínaných průřezů propojovacích lišt a kabeláže, malá konstrukční výška poskytuje dostatek prostoru pro kabeláž i v malých rozváděčích, speciální rychloupevnění jističe na DIN lištu, umožňující vyjmutí i několika jističů ze spodní lišty, velké výklopné okénko pro poppis pro bezpečné upevnění a ochranu etiket, indikace zapnutí ZAP-VYP (ON-OFF) na ovládací páčce.
Proudové chrániče s typovým označením DLS 6h dodává německá firma Doepke, která je již od roku 1957 renomovaným specialistou na proudové chrániče a specializovaná řešení v technnologii ochrany proti reziduálnímu proudu a tonejen v Evropě, ale napříč celou zeměkoulí.
Produktové soubory ke stažení.
Dimenzované napětí | 400 kV |
Dimenzované provozní napětí Ui | 2 V |
Dimenzovaný proud | 16 A |
Druh napětí | AC/DC |
Jmenovitá zkratová vypínací schopnost dle EN 60898 | 6 kA |
Kategorie přepětí | 3 |
Kmitočet | 16.67 GHz |
Krytí (IP) | IP20 |
Montážní hloubka | 68 mm |
Možnost vybavení doplňkovými zařízeními | ano |
Počet jištěných pólů | 1 |
Počet pólů (celkem) | 1 |
Připojitelný průřez jednodrátového vodiče | 0.5 mm² |
Připojitelný průřez vícedrátového vodiče | 1.5 mm² |
skladem | skladem |
Společně spínaný neutrální vodič | ne |
Stupeň znečištění | 2 |
Teplota okolí během provozu | -25 °C |
Třída omezení energie | 3 |
Vhodné pro instalaci pod omítku | ne |
Vypínací charakteristika | C |
Šířka v modulárních jednotkách | 1 |