Hledání je bez výsledku
- Akční ceny
-
-
-
- Lubrikanty
- Kabelové punčošky
- Kabelové punčošky s rychloupínáním
- Kabelové smyčky
- GF3 SLIM
- GF3 Pero ze skelného vlákna Ø 3mm
- RP5
- RP 1
- RT 2008
- GF4.5 Pero ze skelného vlákna Ø 4,5 mm
- GF6 Pero ze skelného vlákna Ø 6 mm
- GF7.5 Pero ze skelného vlákna Ø 7,5 mm
- GF9 Pero ze skelného vlákna Ø 9 mm
- GF11 Pero ze skelného vlákna Ø 11 mm
- GF15 Pero ze skelného vlákna Ø 15 mm
- Runposticks
- CW 800 E Vřetenový naviják
- RM35 Přístroje pro měření délky kabelů
- RC3 Inspekční kamera
- RC2 Inspekční kamera
- XB 300, XB 500 a XB 500 T
- CB 260 Kabelový box
- PRO 530/670 Odvíječka kabelových bubnů
- Runpofilter 4500
- Akční sety
-
- Výprodej
Můj košík
Váš košík je prázdný
- Domů
- THEBEN 4930240 Aktor topení HMG 6 T KNX THEBEN 4930240 Aktor topení HMG 6 T KNX
SLEVA






Theben AG
THEBEN 4930240 Aktor topení HMG 6 T KNX
Kód produktu
4930240
EAN kód:
4003468490129
Dostupný:
Skladem u dodavatele – Expedice do 10 dní
Méně jak 5
ks skladem
Skladem
Není skladem
opět na skladě
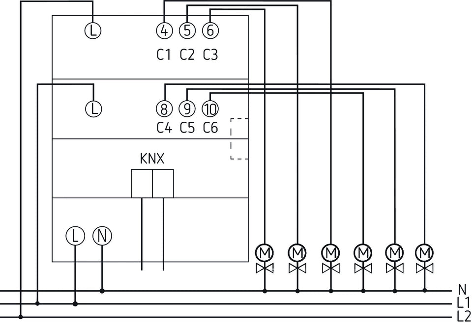
Topný aktor HMG 6 T KNX 6násobný, MIX2.
2 849,99 Kč bez DPH
3 448,49 Kč s DPH
- Popis
- Parametry produktu
- Ke stažení
Topný aktor KNX pro 6 kanálů, základní přístroj, montáž na lištu DIN, šířka 4 TE, rozšiřitelný pomocí HME 6 T až na 18 kanálů nebo kombinovatelný s dalšími přístroji řady MIX. 6 bezpotenciálových triakových výstupů (24 V-250 V AC), možnost volby spojité a spínané hodnoty ovládání a zařazení ovládání kotle, možnost ovládání i oběhového čerpadla, nouzový program při výpadku sběrnice nebo telegramu, letní režim a ochrana ventilů, LED zobrazení stavu spínání a ruční spínač.
Český katalog Theben KNX ke stažení zde.
Produktové soubory ke stažení.
Funkce ochrany ventilu | ano |
Max. spínací proud (ohmické zatížení) | 0.45 A |
Max. výstupní proud | 0.5 A |
neni-skladem | neni-skladem |
Odnímatelný modul sběrnice | ano |
Počet výstupů | 6 |
Radio frequent bidirectional | ne |
Ruční spínání | ano |
Sběrnicový systém KNX-Funk | ne |
Sběrnicový systém KNX | ano |
Sběrnicový systém LON | ne |
Sběrnicový systém Powernet | ne |
Sběrnicový systém rádiové sběrnice | ne |
Spínací napětí | 24 V |
Spínací regulovaná veličina | ano |
Trvalá regulovaná veličina | ano |
Včetně připojení sběrnice | ano |
Šířka v modulárních jednotkách | 4 |
Produkt byl úspěšně přidán do košíku